no snag Series

no snag Series
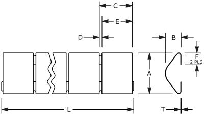
With reduced friction provided by the unique fold-under fingers, lower forces are required to compress this fingerstock series of EMI / RFI shielding gaskets. Different variations of these parts can be edge mounted, slot mounted or applied using a transfer adhesive.

no snag clip on Series

no snag clip on Series
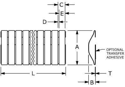
With a fold-under finger tip design this series of RFI EMI shielding products provide an added level of protection against finger damage and a lower coefficient of friction resulting in minimal force requirements through the deflection range. This series of fingerstock is ideal for high traffic areas and are available for mounting material thicknesses from 0.025" thru 0.115".

no snag slot mount Series

no snag slot mount Series

no snag sub Series

no snag sub Series
Ideal solution for shielding applications requiring low compression force. Designed with minimal residual stress and highly leveraged spring action. The free end features fold-under fingers which facilitate a low coeffient of friction on most surfaces. Requires a minimum amount of compression force to move through its deflection range, resulting in the highest levels of EMI RFI shielding effectiveness with minimal force.

no snag variable slot mount Series

no snag variable slot mount Series
Similar to the No-Snag Slot-Mount Series of RFI EMI shielding products with an added feature which provides for strip mounting at every other, every fourth or every sixth finger location. These fingerstock parts are an excellent solution for low force and small deflection range applications.

Find a Product

Inches Millimeters
Product Catalog