hi deflection Series
These fingerstock parts provide excellent EMI / RFI shielding effectiveness while combining high dynamic ranges with low compression forces, and extended service life. Refer to the various styles for specific mounting methods. Commonly used for enclosure doors, shielded room doors, and architectural seams where wiping action and large compression distances are needed.
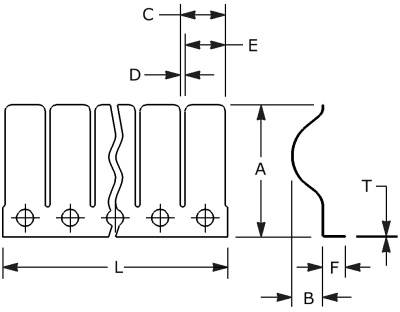
This series of large gap RF gaskets was specifically designed for shielding applications requiring a high dynamic range of deflection, very low compression force, and extended service life after repeated compressions. This series of fingerstock products is available with or without retaining lances for mounting material thicknesses of 0.035" thru 0.115".
Large gap RF gaskets specifically designed to shield enclosure and shielded room doors where wiping action and large compression distances are needed. A 90° flange is provided for accurate locating within its application.
This series of large gap RF gaskets was specifically designed to shield large enclosure doors or where compression of the gasket is achieved by angular engagement of the mating surfaces such as with screen room doors or in joining groups of equipment. Two opposing row of this series of shielding products are ideal for "Tongue-and-Groove" applications.