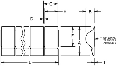
fold over Series

fold over Series
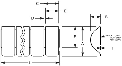
This uniquely designed fingerstock series of EMI / RFI shielding gaskets provides excellent shielding effectiveness while combining high dynamic ranges with very low compression forces, and long service life after repeated compressions. The enclosed fold-over sub-series provides contact finger protection. Adhesive or clip-on mounting methods are available. Ideally used for shielded enclosure, cabinet door, grounding clip or battery contact applications.

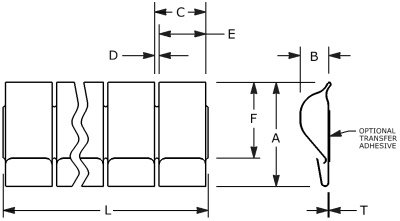
enclosed fold over Series

enclosed fold over Series
Having an enclosed contact finger tip, this uniquely designed series of RFI EMI shielding gaskets provides excellent shielding effectiveness while combining high dynamic ranges, very low compression forces, and long service life after repeated compressions. Ideal fingerstock gaskets for high traffic shielded enclosures and cabinet door applications.

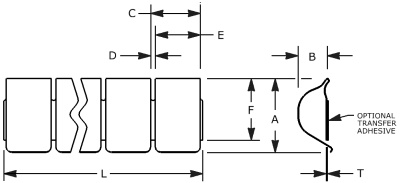
fold over clip on Series

fold over clip on Series
With a similar finger configuration to the Fold-Over Sub Series of RFI EMI shielding gaskets, these parts have the added clip-on feature for ease of mounting onto material thicknesses of 0.025" thru 0.065".

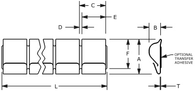
fold over sub Series

fold over sub Series
This uniquely designed series of RFI EMI shielding gaskets provides excellent shielding effectiveness while combining high dynamic ranges with very low compression forces, and long service life after repeated compressions. Ideal fingerstock gaskets for shielded enclosure and cabinet door applications.

Find a Product

Inches Millimeters
Product Catalog