Home
About Us
products
Contact Us
Search
Social Media
Home
>
Products
>
contact Series
contact Series
A variety of multipurpose fingerstock designs for a wide range of ESD, grounding clip, battery contact and EMI / RFI shielding applications.
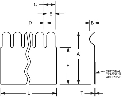
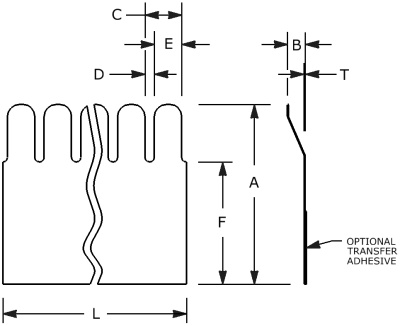
flat contact Series
Part No.
A
B
C
D
E
F
L
T
099-610-NT-20
A
= Width
B
= Offset
C
= Pitch
D
= Slot
E
= Finger
F
= Solid
L
= Length
T
= Thickness
Min I.D.
= Minimum Inner Diameter
Max I.D.
= Maximum Inner Diameter
Min O.D.
= Minimum Outer Diameter
Max O.D.
= Maximum Outer Diameter
0.77
19.6
0.23
5.8
0.188
4.78
0.048
1.22
0.140
3.56
0.63
15.9
15.98
405.9
0.0050
0.127
099-612-NT-20
A
= Width
B
= Offset
C
= Pitch
D
= Slot
E
= Finger
F
= Solid
L
= Length
T
= Thickness
Min I.D.
= Minimum Inner Diameter
Max I.D.
= Maximum Inner Diameter
Min O.D.
= Minimum Outer Diameter
Max O.D.
= Maximum Outer Diameter
0.89
22.6
0.13
3.3
0.188
4.78
0.048
1.22
0.140
3.56
0.63
15.9
15.98
405.9
0.0050
0.127
099-613-NT-20
A
= Width
B
= Offset
C
= Pitch
D
= Slot
E
= Finger
F
= Solid
L
= Length
T
= Thickness
Min I.D.
= Minimum Inner Diameter
Max I.D.
= Maximum Inner Diameter
Min O.D.
= Minimum Outer Diameter
Max O.D.
= Maximum Outer Diameter
0.92
23.4
0.09
2.3
0.188
4.78
0.048
1.22
0.140
3.56
0.63
15.9
15.98
405.9
0.0050
0.127
099-614-NT-20
A
= Width
B
= Offset
C
= Pitch
D
= Slot
E
= Finger
F
= Solid
L
= Length
T
= Thickness
Min I.D.
= Minimum Inner Diameter
Max I.D.
= Maximum Inner Diameter
Min O.D.
= Minimum Outer Diameter
Max O.D.
= Maximum Outer Diameter
0.92
23.4
0.09
2.3
0.188
4.78
0.048
1.22
0.140
3.56
0.63
15.9
15.98
405.9
0.0050
0.127
099-616-NT-20
A
= Width
B
= Offset
C
= Pitch
D
= Slot
E
= Finger
F
= Solid
L
= Length
T
= Thickness
Min I.D.
= Minimum Inner Diameter
Max I.D.
= Maximum Inner Diameter
Min O.D.
= Minimum Outer Diameter
Max O.D.
= Maximum Outer Diameter
0.89
22.6
0.09
2.3
0.188
4.78
0.048
1.22
0.140
3.56
0.63
15.9
15.98
405.9
0.0050
0.127
Display in Millimeters
Display in Inches
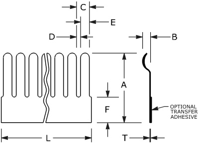
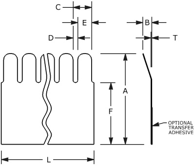
spherical flat contact Series
Part No.
A
B
C
D
E
F
L
T
099-617-NT-20
A
= Width
B
= Offset
C
= Pitch
D
= Slot
E
= Finger
F
= Solid
L
= Length
T
= Thickness
Min I.D.
= Minimum Inner Diameter
Max I.D.
= Maximum Inner Diameter
Min O.D.
= Minimum Outer Diameter
Max O.D.
= Maximum Outer Diameter
0.89
22.6
0.13
3.3
0.188
4.78
0.048
1.22
0.140
3.56
0.63
15.9
15.98
405.9
0.0050
0.127
099-618-NT-20
A
= Width
B
= Offset
C
= Pitch
D
= Slot
E
= Finger
F
= Solid
L
= Length
T
= Thickness
Min I.D.
= Minimum Inner Diameter
Max I.D.
= Maximum Inner Diameter
Min O.D.
= Minimum Outer Diameter
Max O.D.
= Maximum Outer Diameter
0.73
18.5
0.13
3.3
0.188
4.78
0.048
1.22
0.140
3.56
0.46
11.7
15.98
405.9
0.0050
0.127
099-623-NT-20
A
= Width
B
= Offset
C
= Pitch
D
= Slot
E
= Finger
F
= Solid
L
= Length
T
= Thickness
Min I.D.
= Minimum Inner Diameter
Max I.D.
= Maximum Inner Diameter
Min O.D.
= Minimum Outer Diameter
Max O.D.
= Maximum Outer Diameter
0.34
8.6
0.04
1
0.0625
1.6
0.020
0.51
0.0425
1.09
0.13
3.3
16.0
406.4
0.0040
0.102
099-634-NT-20
A
= Width
B
= Offset
C
= Pitch
D
= Slot
E
= Finger
F
= Solid
L
= Length
T
= Thickness
Min I.D.
= Minimum Inner Diameter
Max I.D.
= Maximum Inner Diameter
Min O.D.
= Minimum Outer Diameter
Max O.D.
= Maximum Outer Diameter
0.53
13.5
0.05
1.3
0.075
1.91
0.025
0.64
0.050
1.27
0.22
5.6
16.05
407.7
0.0050
0.127
099-636-NT-20
A
= Width
B
= Offset
C
= Pitch
D
= Slot
E
= Finger
F
= Solid
L
= Length
T
= Thickness
Min I.D.
= Minimum Inner Diameter
Max I.D.
= Maximum Inner Diameter
Min O.D.
= Minimum Outer Diameter
Max O.D.
= Maximum Outer Diameter
0.38
9.7
0.05
1.3
0.075
1.91
0.025
0.64
0.050
1.27
0.07
1.8
16.05
407.7
0.0050
0.127
099-637-NT-20
A
= Width
B
= Offset
C
= Pitch
D
= Slot
E
= Finger
F
= Solid
L
= Length
T
= Thickness
Min I.D.
= Minimum Inner Diameter
Max I.D.
= Maximum Inner Diameter
Min O.D.
= Minimum Outer Diameter
Max O.D.
= Maximum Outer Diameter
0.78
19.8
0.1
2.5
0.094
2.39
0.032
0.81
0.062
1.57
0.32
8.1
15.98
405.9
0.0100
0.254
Display in Millimeters
Display in Inches
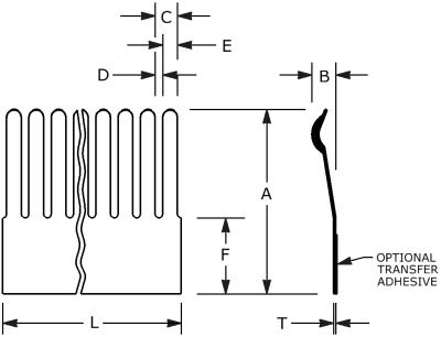
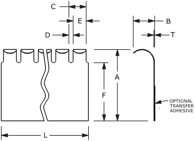
spherical u contact Series
Part No.
A
B
C
D
E
F
L
T
095-190-NT-20
A
= Width
B
= Offset
C
= Pitch
D
= Slot
E
= Finger
F
= Solid
L
= Length
T
= Thickness
Min I.D.
= Minimum Inner Diameter
Max I.D.
= Maximum Inner Diameter
Min O.D.
= Minimum Outer Diameter
Max O.D.
= Maximum Outer Diameter
0.19
4.8
0.11
2.8
0.0625
1.59
0.020
0.51
0.0425
1.08
0.13
3.2
16.0
406.4
0.0040
0.102
096-128-NT-20
A
= Width
B
= Offset
C
= Pitch
D
= Slot
E
= Finger
F
= Solid
L
= Length
T
= Thickness
Min I.D.
= Minimum Inner Diameter
Max I.D.
= Maximum Inner Diameter
Min O.D.
= Minimum Outer Diameter
Max O.D.
= Maximum Outer Diameter
0.44
11.2
0.20
5.1
0.094
2.39
0.032
0.81
0.062
1.57
0.32
8.1
15.98
405.9
0.0080
0.203
098-128-NT-20
A
= Width
B
= Offset
C
= Pitch
D
= Slot
E
= Finger
F
= Solid
L
= Length
T
= Thickness
Min I.D.
= Minimum Inner Diameter
Max I.D.
= Maximum Inner Diameter
Min O.D.
= Minimum Outer Diameter
Max O.D.
= Maximum Outer Diameter
0.44
11.2
0.20
5.1
0.094
2.39
0.032
0.81
0.062
1.57
0.32
8.1
15.98
405.9
0.0040
0.102
098-138-NT-20
A
= Width
B
= Offset
C
= Pitch
D
= Slot
E
= Finger
F
= Solid
L
= Length
T
= Thickness
Min I.D.
= Minimum Inner Diameter
Max I.D.
= Maximum Inner Diameter
Min O.D.
= Minimum Outer Diameter
Max O.D.
= Maximum Outer Diameter
0.44
11.2
0.16
4.1
0.094
2.39
0.032
0.81
0.062
1.57
0.32
8.1
15.98
405.9
0.0040
0.102
099-128-NT-20
A
= Width
B
= Offset
C
= Pitch
D
= Slot
E
= Finger
F
= Solid
L
= Length
T
= Thickness
Min I.D.
= Minimum Inner Diameter
Max I.D.
= Maximum Inner Diameter
Min O.D.
= Minimum Outer Diameter
Max O.D.
= Maximum Outer Diameter
0.44
11.2
0.20
5.1
0.094
2.39
0.032
0.81
0.062
1.57
0.32
8.1
15.98
405.9
0.0080
0.203
099-129-NT-20
A
= Width
B
= Offset
C
= Pitch
D
= Slot
E
= Finger
F
= Solid
L
= Length
T
= Thickness
Min I.D.
= Minimum Inner Diameter
Max I.D.
= Maximum Inner Diameter
Min O.D.
= Minimum Outer Diameter
Max O.D.
= Maximum Outer Diameter
0.44
11.2
0.20
5.1
0.094
2.39
0.032
0.81
0.062
1.57
0.32
8.1
15.98
405.9
0.0100
0.254
099-138-NT-20
A
= Width
B
= Offset
C
= Pitch
D
= Slot
E
= Finger
F
= Solid
L
= Length
T
= Thickness
Min I.D.
= Minimum Inner Diameter
Max I.D.
= Maximum Inner Diameter
Min O.D.
= Minimum Outer Diameter
Max O.D.
= Maximum Outer Diameter
0.44
11.2
0.16
4.1
0.094
2.39
0.032
0.81
0.062
1.57
0.32
8.1
15.98
405.9
0.0080
0.203
099-139-NT-20
A
= Width
B
= Offset
C
= Pitch
D
= Slot
E
= Finger
F
= Solid
L
= Length
T
= Thickness
Min I.D.
= Minimum Inner Diameter
Max I.D.
= Maximum Inner Diameter
Min O.D.
= Minimum Outer Diameter
Max O.D.
= Maximum Outer Diameter
0.44
11.2
0.16
4.1
0.094
2.39
0.032
0.81
0.062
1.57
0.32
8.1
15.98
405.9
0.0100
0.254
099-160-NT-20
A
= Width
B
= Offset
C
= Pitch
D
= Slot
E
= Finger
F
= Solid
L
= Length
T
= Thickness
Min I.D.
= Minimum Inner Diameter
Max I.D.
= Maximum Inner Diameter
Min O.D.
= Minimum Outer Diameter
Max O.D.
= Maximum Outer Diameter
0.27
6.9
0.11
2.8
0.075
1.91
0.025
0.64
0.050
1.27
0.22
5.5
16.05
407.7
0.0050
0.127
099-170-NT-20
A
= Width
B
= Offset
C
= Pitch
D
= Slot
E
= Finger
F
= Solid
L
= Length
T
= Thickness
Min I.D.
= Minimum Inner Diameter
Max I.D.
= Maximum Inner Diameter
Min O.D.
= Minimum Outer Diameter
Max O.D.
= Maximum Outer Diameter
0.27
6.9
0.16
4.1
0.075
1.91
0.025
0.64
0.050
1.27
0.22
5.5
16.05
407.7
0.0050
0.127
099-180-NT-20
A
= Width
B
= Offset
C
= Pitch
D
= Slot
E
= Finger
F
= Solid
L
= Length
T
= Thickness
Min I.D.
= Minimum Inner Diameter
Max I.D.
= Maximum Inner Diameter
Min O.D.
= Minimum Outer Diameter
Max O.D.
= Maximum Outer Diameter
0.19
4.8
0.09
2.3
0.0625
1.59
0.020
0.51
0.0425
1.08
0.13
3.2
16.0
406.4
0.0040
0.102
099-190-NT-20
A
= Width
B
= Offset
C
= Pitch
D
= Slot
E
= Finger
F
= Solid
L
= Length
T
= Thickness
Min I.D.
= Minimum Inner Diameter
Max I.D.
= Maximum Inner Diameter
Min O.D.
= Minimum Outer Diameter
Max O.D.
= Maximum Outer Diameter
0.19
4.8
0.11
2.8
0.0625
1.59
0.020
0.51
0.0425
1.08
0.13
3.2
16.0
406.4
0.0040
0.102
Display in Millimeters
Display in Inches
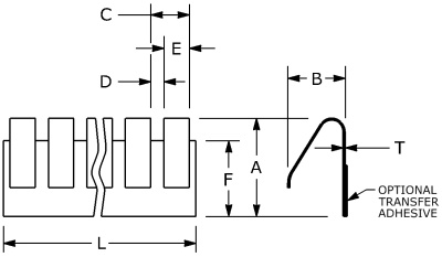
u contact Series
Part No.
A
B
C
D
E
F
L
T
099-110-NT-20
A
= Width
B
= Offset
C
= Pitch
D
= Slot
E
= Finger
F
= Solid
L
= Length
T
= Thickness
Min I.D.
= Minimum Inner Diameter
Max I.D.
= Maximum Inner Diameter
Min O.D.
= Minimum Outer Diameter
Max O.D.
= Maximum Outer Diameter
0.48
12.2
0.28
7.1
0.188
4.78
0.064
1.63
0.124
3.15
0.37
9.4
15.98
405.9
0.0060
0.152
099-140-NT-20
A
= Width
B
= Offset
C
= Pitch
D
= Slot
E
= Finger
F
= Solid
L
= Length
T
= Thickness
Min I.D.
= Minimum Inner Diameter
Max I.D.
= Maximum Inner Diameter
Min O.D.
= Minimum Outer Diameter
Max O.D.
= Maximum Outer Diameter
0.13
3.3
0.07
1.8
0.0625
1.59
0.020
0.51
0.0425
1.08
0.09
2.3
12.0
304.8
0.0030
0.076
099-145-NT-20
A
= Width
B
= Offset
C
= Pitch
D
= Slot
E
= Finger
F
= Solid
L
= Length
T
= Thickness
Min I.D.
= Minimum Inner Diameter
Max I.D.
= Maximum Inner Diameter
Min O.D.
= Minimum Outer Diameter
Max O.D.
= Maximum Outer Diameter
0.13
3.3
0.09
2.3
0.0625
1.59
0.020
0.51
0.0425
1.08
0.09
2.3
12.0
304.8
0.0030
0.076
099-150-NT-20
A
= Width
B
= Offset
C
= Pitch
D
= Slot
E
= Finger
F
= Solid
L
= Length
T
= Thickness
Min I.D.
= Minimum Inner Diameter
Max I.D.
= Maximum Inner Diameter
Min O.D.
= Minimum Outer Diameter
Max O.D.
= Maximum Outer Diameter
0.13
3.3
0.09
2.3
0.125
3.18
0.020
0.51
0.105
2.67
0.09
2.3
12.0
304.8
0.0030
0.076
Display in Millimeters
Display in Inches
Find a Product
Inches
Millimeters
Gap: The space between mounting and mating surfaces when in the compressed position.
Gap Size:
Mount Size: The amount of available space for mounting the part, including space for expansion of product when compressed.
Mount Size:
Mount Method: The desired method of attachment (i.e. clip-on, transfer adhesive, conductive transfer adhesive, solder, weld, or the use of hardware)
Mount Method:
-- Mount Method --
Resources
Conductive Adhesive Transfer Tape
Pressure Sensitive Adhesive Transfer Tape
Copper Beryllium
Copper Nickel Tin
Kimmel Gerke Associates, Ltd.
IEEE
RoHS
products
contact Series
flat contact Series
spherical flat contact Series
spherical u contact Series
u contact Series
fold over Series
enclosed fold over Series
fold over clip on Series
fold over sub Series
hi deflection Series
hi deflection clip on Series
hi deflection right angle Series
hi deflection sub Series
right angle Series
hi deflection right angle Series
right angle sub Series
twist right angle Series
twist Series
dual twist Series
enviro twist Series
low profile twist Series
mini twist Series
mini twist clip on Series
twist clip on Series
twist right angle Series
twist sub Series
clip on Series
bi directional clip on Series
clip on sub Series
fold over clip on Series
hi deflection clip on Series
longitudinal clip on Series
low profile clip on Series
mini clip on Series
mini reverse clip on Series
mini twist clip on Series
no snag clip on Series
reverse clip on Series
reverse spherical clip on Series
transverse clip on Series
twist clip on Series
no snag Series
no snag clip on Series
no snag slot mount Series
no snag sub Series
no snag variable slot mount Series
contact ring Series
female contact ring Series
male contact ring Series
enviro twist Series
coil & continuous length Series
Omega Bytes
Application Highlights
Clip On Internal Grounding Application
Contact Ring Connector Application
Enclosed Fold Over Gasket used in Shielded Door Closure
Fold Over Gasket used in Shielded Door Closure
Installation Guide Part 1
Installation Guide Part 2
Metals Galvanic Compatibility Chart
No Snag Series Slot Mount Installation Guide
PFOS Compliance Statement
Right Angle Contact Application
RoHS Compliance Statement
Shielded Room "No Snag" Door Closure
Shielded Room "Right Angle" Door Closure
Shielded Room "Tongue In Groove" Door Closure
Shielding Effectiveness of RFI/EMI Fingerstock Minimizing the Effects of Openings
"Enviro Shield" Gaskets
Material Highlights
Material Highlight: ASTM B194 Alloy C17200
Material Highlight: ASTM B740 Alloy C72650
Product Highlights
Clip On Series P/N: 099 440 07 20
Clip On Series P/N: 099 485 06 20 & 099 490 06 20
Clip On Series P/N: 099 850 04 20, 099 850 06 20 & 099 850 08 20
Lock In Slot "Button" Contacts
Low Profile Clip On Series
Miniature & Sub Miniature Shielding Products
Miniature Clip On Series
Multi Functional Spherical Contact Series
Multi Functional Straight Contact Series
Multi Purpose Low Force Clip On Series
No Snag Series
Segmented Clip On Series
Symmetrical Multi Mount Series
Very Low Profile Clip On Shielding Gaskets
Promos
Sample Kits
Contact
Corporate Headquarters:
Omega Shielding Products, Inc.
9 Emery Avenue
Randolph, NJ 07869
Toll Free: 1-800-828-5784
Tel: 1-973-366-0080
Fax: 1-973-366-8232
Email:
sales@omegashielding.com