right angle Series
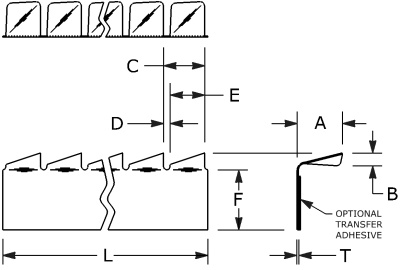
This fingerstock series of EMI / RFI shielding products is specifically designed for 90° applications where mounting to the surface perpendicular to the finger compression area is required.
This series of RFI EMI shielding gaskets was specifically designed to shield enclosures and shielded room doors where wiping action and large compression distances are needed. A 90° flange is provided for accurate locating within its application.
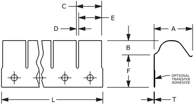
This series of RFI EMI shielding products is ideal for 90° applications where mounting to the surface perpendicular to the finger compression area is required.
This series of RFI EMI shielding gaskets is ideal for 90° applications where mounting the RF shield to the surface perpendicular to the finger compression area and near flat compression is required.